If you’re restoring a classic or keeping your 1990 Ford F-150 running strong, you know that finding high-quality, reliable parts is about more than just function—it’s about preserving legacy. As one of the most iconic trucks to ever roll off the Ford production line, the 1990 F-150 continues to enjoy massive popularity among restorers, collectors, and daily drivers alike. This enduring demand has fueled a booming aftermarket and OEM parts market, with buyers seeking authentic, durable components that deliver both performance and peace of mind. Whether you’re searching for a rare trim piece, a heavy-duty suspension upgrade, or a factory-correct replacement, the right parts can make all the difference. In this guide, we’ve handpicked the Top 10 Must-Have 1990 Ford F-150 Parts—each selected for quality, availability, and real-world performance—so you can keep America’s favorite truck roaring down the road for years to come.
Top 3 Manufacturers & Suppliers of 1990 Ford F 150 Parts (2026 Review)
Ranked by inventory, reputation, and service quality.
#1 1987
Domain Est. 1995
Website: holley.com
Shop high-quality parts matched to your 1987-1991 F-150’s exact year and trim. Explore parts, mods, upgrades, and more.
#2 1990 Ford F
Domain Est. 1999
Website: carparts.com
Get your aftermarket 1990 Ford F-150 parts & accessories! Submodels in our catalog: Custom, XL, XLT Lariat. Buy now!
#3 1990 Ford F150 Parts & Accessories
Domain Est. 1998
Website: realtruck.com
Free deliveryRealTruck has an extensive line of 1990 Ford F150 parts & accessories to upgrade your truck. Get the style and function you want with …
Buyer’s Guide: How to Choose 1990 Ford F 150 Parts

Buyer’s Guide: 3 Things to Check Before Buying 1990 Ford F-150 Parts
If you’re a B2B buyer sourcing reliable components or a dedicated car enthusiast restoring a classic 1990 Ford F-150, choosing the right parts is crucial. This third-generation F-150 is known for its durability and iconic design, but finding quality 1990 Ford F-150 parts requires careful consideration. Before making a purchase, keep these three key factors in mind to ensure compatibility, performance, and long-term value.
1. Verify Part Compatibility with Your Exact F-150 Model
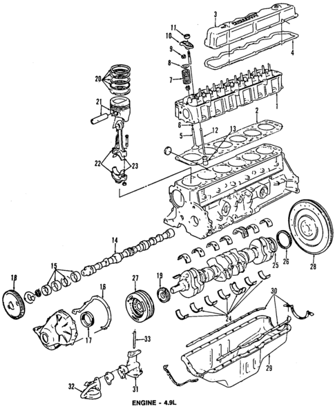
Not all 1990 Ford F-150 configurations are the same. This year saw multiple trim levels (XL, XLT, Lariat), engine options (4.9L I6, 5.0L V8, 5.8L V8), 4×2 and 4×4 drivetrains, and varying bed lengths and axle ratios. A part that fits a 4×4 model may not work on a 4×2, and engine-specific components like radiators, alternators, or throttle bodies differ based on the powertrain.
Always double-check your VIN or consult your vehicle’s specifications before purchasing. Reputable suppliers should provide detailed fitment charts or compatibility tools to confirm the part matches your exact build. For B2B buyers, ensuring consistency across inventory orders will prevent costly returns and downtime.
2. Choose Between OEM and Aftermarket Based on Your Needs
When selecting 1990 Ford F-150 parts, you’ll face the choice between OEM (Original Equipment Manufacturer) and aftermarket components.
- OEM parts are produced by or for Ford and guarantee perfect fit, reliability, and adherence to original factory standards—ideal for restorations or commercial fleets requiring proven performance.
- Aftermarket parts may offer cost savings, upgraded materials, or performance enhancements, but quality varies widely. Look for reputable brands (e.g., Motorcraft, Dorman, ATP) with warranties and positive user feedback.
For B2B clients, consider the total cost of ownership: while aftermarket parts might be cheaper upfront, OEM or premium aftermarket products often reduce long-term servicing costs and improve customer satisfaction.
3. Inspect Quality and Supplier Reputation
With classic truck parts, condition and authenticity matter—especially for vintage models like the 1990 F-150. Used, refurbished, or NOS (New Old Stock) parts should be inspected carefully for rust, wear, or missing components. For new parts, ensure they include clear labeling, proper packaging, and manufacturer certifications.
Always buy from trusted suppliers with a track record in Ford truck parts. Check reviews, return policies, and warranty coverage. B2B buyers should also evaluate supplier logistics, bulk pricing, and technical support for seamless integration into their operations.
Paying attention to these three aspects will help you source durable, compatible, and high-performance 1990 Ford F-150 parts—whether you’re keeping a classic workhorse on the road or supplying customers who demand quality they can count on.
The 1987 and 1990 Ford F models are excellent choices for sourcing parts for a 1990 Ford F-150 because they share similar body styles, chassis platforms, and mechanical components, making many parts interchangeable. Additionally, the “1990 Ford F150 Parts & Accessories” category specifically targets the exact model year, ensuring compatibility and availability of both OEM and aftermarket components. Together, these options provide a reliable and practical range for finding quality parts to maintain or restore a 1990 Ford F-150.



