For B2B buyers and discerning car and marine enthusiasts alike, securing reliable, high-performance components isn’t just a preference—it’s a necessity. While the automotive world drives demand for precision-engineered parts, a parallel surge is happening in the marine sector, where durability and authenticity are non-negotiable. Among the most sought-after components in this space are OMC Outboard Motor Parts—renowned for their legacy of innovation and rugged reliability on the water. Though OMC (Outboard Marine Corporation) ceased production decades ago, the market demand for its OEM and high-quality aftermarket replacements remains strong, especially among restorers, fleet operators, and marine specialty shops committed to maintaining peak performance.
As vintage outboard models continue to command attention—and dependability—finding trustworthy sources for authentic OMC parts has become both a challenge and a business opportunity. Whether you’re sourcing for resale, restoration, or operational maintenance, the right components can make all the difference. In response to growing industry demand, we’ve curated the Top 10 OMC Outboard Motor Parts that stand out for quality, availability, and performance—helping buyers and enthusiasts make informed, value-driven decisions in a competitive aftermarket landscape.
Top 4 Manufacturers & Suppliers of Omc Outboard Motor Parts (2026 Review)
Ranked by inventory, reputation, and service quality.
#1 OEM OMC Parts
Domain Est. 2001
Website: crowleymarine.com
Crowley Marine offers the largest selection of OEM parts and assemblies at the guaranteed lowest prices for OMC. FAST $4.95 Shipping on most parts orders.
#2 Evinrude Outboard Parts
Domain Est. 1998
Website: wholesalemarine.com
Free delivery over $99 · 90-day returnsFind genuine Evinrude outboard parts at Wholesale Marine. Shop our complete selection of OEM anodes, fuel systems, and propellers to keep your engine …
#3 Marine Engine Spare Parts Supplier
Domain Est. 2021
Website: recmarineparts.com
All types of marine engine parts at RECMAR. Valid with the motors and transmissions of the original brands: Mercruiser, Yamaha, Mercury…
#4 OMC Boat Parts
Domain Est. 1999
Website: boatengine.com
Free delivery over $100 30-day returnsUse our OMC outboard motor parts finder to view engine drawings to find the manufacturer part number you need. Select that part and place it directly in …
Buyer’s Guide: How to Choose Omc Outboard Motor Parts

Buyer’s Guide: 3 Things to Check Before Buying OMC Outboard Motor Parts
Whether you’re a B2B buyer sourcing OEM-quality components or a passionate car and boat enthusiast restoring classic marine engines, choosing the right OMC (Outboard Marine Corporation) outboard motor parts is critical for performance, durability, and compatibility. OMC once led the marine industry with legendary brands like Johnson and Evinrude, and while the company no longer operates, demand for its replacement parts remains strong. To ensure you’re making a smart, reliable investment, here are three essential factors to consider before making your purchase.
1. Verify Compatibility with Your Motor Model and Year
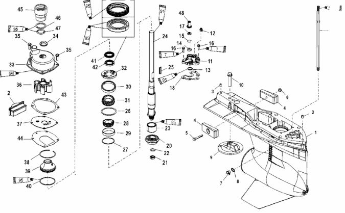
Not all OMC outboard motor parts are interchangeable—even within the same product line. Before buying, always confirm that the part matches your specific engine model, horsepower rating, and production year. OMC produced motors from the 1930s through the early 2000s, and design changes over time mean that even minor variances can result in improper fit or function. Cross-reference part numbers with OEM catalogs or trusted suppliers, and use your motor’s serial number to verify compatibility. For B2B buyers, maintaining a database of model-specific part references ensures accuracy and reduces returns.
2. Choose Between Genuine OEM and High-Quality Aftermarket Parts
When replacing OMC outboard motor parts, you’ll often face a choice between original equipment manufacturer (OEM) components and high-quality aftermarket alternatives. OEM parts, if still available, guarantee exact specifications and long-term reliability—ideal for restorations or precision maintenance. However, many OEM parts are now discontinued. In such cases, opt for aftermarket parts from reputable manufacturers known for adhering to OEM standards. Look for certifications, material quality, and positive user reviews. For B2B buyers, sourcing from ISO-certified suppliers ensures consistency and scalability for bulk orders.
3. Assess Supplier Reputation and Warranty Support
Due to the age of many OMC motors, the aftermarket for parts can vary widely in quality and authenticity. Always buy from trusted suppliers with a proven track record in marine components. Check customer reviews, return policies, and whether the seller offers technical support. A reliable supplier should provide detailed product information, compatibility guides, and warranty coverage, especially for critical components like powerheads, carburetors, or lower units. For B2B buyers, establishing long-term relationships with vendors offering volume discounts and reliable logistics can significantly improve operational efficiency.
By focusing on compatibility, part quality, and supplier credibility, you can confidently equip your OMC outboard motor with the best available parts—keeping classic marine power alive and performing at its peak.
These four options—OEM OMC Parts, Evinrude Outboard Parts, Marine Engine Spare Parts Supplier, and OMC Boat Parts—are excellent choices for OMC outboard motor parts because they offer genuine, compatible, and high-quality components. OEM OMC Parts provide original equipment manufacturer reliability, Evinrude Outboard Parts ensure precise fit for Evinrude (an OMC brand) motors, trusted marine suppliers offer wide availability and expertise, and dedicated OMC Boat Parts sources specialize in legacy OMC systems. Together, they ensure durability, authenticity, and proper performance for maintaining or repairing OMC outboard motors.




