In the world of marine performance and reliability, genuine and high-quality replacement parts are non-negotiable—especially when it comes to trusted powerhouses like Mariner outboard motors. As demand surges in the global marine aftermarket, B2B buyers and discerning boaters alike are seeking durable, OEM-spec Mariner outboard motor parts that deliver seamless fit, long-term performance, and peace of mind on every voyage. From thriving commercial fishing operations to weekend offshore adventures, the need for dependable components—from powerheads and carburetors to lower units and ignition systems—has never been higher. In this era of rising marine activity and aging boat fleets, sourcing the right parts isn’t just about repair—it’s about maintaining peak engine efficiency and resale value.
To help you navigate the clutter and make confident purchasing decisions, we’ve compiled the Top 10 Must-Have Mariner Outboard Motor Parts—each a benchmark in quality, compatibility, and performance. Whether you’re stocking a marine supply warehouse or maintaining a prized vessel, this list delivers the precision-engineered solutions today’s market demands.
Top 6 Manufacturers & Suppliers of Mariner Outboard Motor Parts (2026 Review)
Ranked by inventory, reputation, and service quality.
#1 OEM Mariner Outboard Parts
Domain Est. 2001
Website: crowleymarine.com
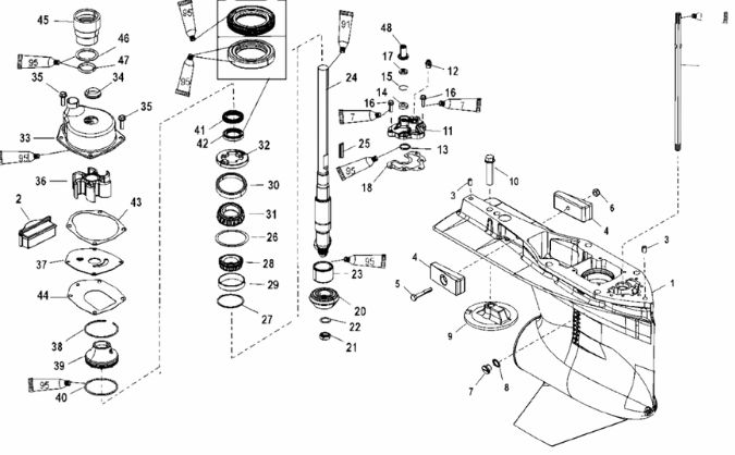
OEM Mariner Outboard Parts … Select your engine to find guaranteed-fit parts: Brand, Evinrude, Mercury Marine, Yamaha Motors, Suzuki Marine, Chrysler, Force …
#2 Mercury Outboard Parts
Domain Est. 1998
Website: wholesalemarine.com
Free delivery over $99 · 90-day returnsFind genuine Mercury outboard parts and OEM replacements at Wholesale Marine. Get the essential components you need for maintenance, repairs, …
#3 Mariner Boat Parts
Domain Est. 1999
Website: boatengine.com
Free delivery over $100 30-day returnsUse our Mariner outboard motor parts finder to view engine drawings to find the manufacturer part number you need. Select that part and place it directly in …
#4 Mercury Marine Parts Digital Catalog
Domain Est. 1995
Website: mercurymarine.com
Find the right parts to fit your Mercury® or MerCruiser® engine with the online Mercury Parts Catalog. You can search by engine model or serial number.
#5 Who makes Mariner?
Domain Est. 1997
Website: rib.net
I alway thought that Mariner outboards were made by Mercury and then someone told me that Yamaha were also made by the same company that made the Merc and …
#6 5 Most Reliable Outboard Engine Brands in 2025
Domain Est. 2000
Website: obparts.com
Discover the 5 most reliable outboard engine brands—Mercury, Yamaha, Suzuki, Honda, and Tohatsu. Performance, durability, and power on the water!
Buyer’s Guide: How to Choose Mariner Outboard Motor Parts

Buyer’s Guide: 3 Things to Check Before Buying Mariner Outboard Motor Parts
Whether you’re a B2B buyer sourcing replacement components for your marine inventory or a car and boat enthusiast restoring or upgrading your Mariner outboard motor, choosing the right parts is essential for performance, reliability, and longevity. With numerous options available—ranging from genuine OEM to high-quality aftermarket—knowing what to look for can make all the difference. Here are three critical factors to consider before purchasing Mariner Outboard Motor Parts.
1. Verify Compatibility with Your Engine Model and Year
Mariner outboard motors span multiple generations and horsepower ranges, and parts are often not interchangeable across models or production years. Before purchasing any component—whether it’s a carburetor, starter motor, water pump, or ignition coil—always confirm the part number and cross-reference it with your specific engine model and serial number. Many OEM parts are designed to strict manufacturer specifications, so even small variations can lead to installation issues or performance problems. When in doubt, consult a Mariner parts lookup guide or contact a trusted supplier with expertise in Mariner Outboard Motor Parts to ensure precise fitment.
2. Choose Between OEM and Aftermarket: Quality vs. Cost
When sourcing Mariner Outboard Motor Parts, you’ll typically encounter two main categories: OEM (Original Equipment Manufacturer) and aftermarket. OEM parts are produced by or for Mercury Marine—the parent company of Mariner—and are guaranteed to meet original factory standards. They often offer superior reliability and longer service life, making them a preferred choice for professionals and serious marine enthusiasts. Aftermarket parts can be more budget-friendly and are often readily available, but quality can vary significantly. Look for reputable aftermarket brands that adhere to marine industry standards and offer warranties. For mission-critical components like powerheads or electrical systems, investing in OEM parts is usually the safer long-term decision.
3. Check for Authenticity and Warranties
Given the prevalence of counterfeit or grey-market components, it’s crucial to purchase Mariner Outboard Motor Parts from authorized dealers or trusted suppliers. Authentic parts typically come with verifiable serial numbers, manufacturer branding, and packaging that matches OEM standards. Always ask for documentation such as warranty cards, certification, or proof of origin. A solid warranty—especially one that covers both parts and labor—is a strong indicator of quality and supplier confidence. For B2B buyers, maintaining a relationship with a reliable parts distributor ensures consistent access to genuine Mariner components, minimizing downtime and customer complaints.
By carefully checking compatibility, understanding the OEM vs. aftermarket trade-offs, and verifying authenticity and warranty coverage, you can make informed decisions that keep Mariner outboards running smoothly—whether you’re servicing a fleet or enjoying your next day on the water.
These six resources are excellent choices for finding Mariner outboard motor parts because they provide reliable, manufacturer-backed information and genuine components. OEM Mariner and Mercury outboard parts ensure compatibility and durability, while the Mercury Marine Parts Digital Catalog offers easy access to authentic parts with detailed specifications. Understanding that Mariner outboards are made by Mercury Marine clarifies sourcing options, and exploring the top reliable outboard brands in 2025 helps contextualize Mariner’s performance and parts availability. Together, these options ensure users can confidently find, compare, and purchase the right parts for optimal engine performance and longevity.






