For B2B buyers and marine performance enthusiasts alike, the demand for reliable, high-quality OMC boat motor parts has never been stronger. As aging fleets of Outboard Marine Corporation motors continue to power everything from vintage restorations to commercial fishing operations, the aftermarket for authentic and precision-engineered components is booming. With original OEM support long discontinued, sourcing durable replacements has become both a challenge and a necessity—driving a surge in demand for trusted OMC boat motor parts that deliver OEM-level performance, fit, and longevity. Whether you’re supplying repair shops, managing a marine inventory, or restoring a classic Evinrude or Johnson outboard, choosing the right parts is critical. In this definitive “Top 10” roundup, we spotlight the most sought-after, high-performance OMC boat motor parts dominating today’s market—backed by durability, authenticity, and proven results on the water.
Top 6 Manufacturers & Suppliers of Omc Boat Motor Parts (2026 Review)
Ranked by inventory, reputation, and service quality.
#1 OEM OMC Parts
Domain Est. 2001
Website: crowleymarine.com
Crowley Marine offers the largest selection of OEM parts and assemblies at the guaranteed lowest prices for OMC. FAST $4.95 Shipping on most parts orders.
#2 Marine Engine Spare Parts Supplier
Domain Est. 2021
Website: recmarineparts.com
All types of marine engine parts at RECMAR. Valid with the motors and transmissions of the original brands: Mercruiser, Yamaha, Mercury…
#3 OMC Boat Parts
Domain Est. 1999
Website: boatengine.com
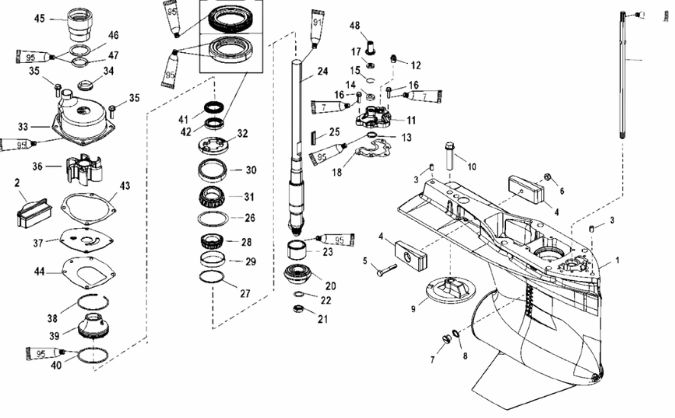
Free delivery over $100 30-day returnsUse our OMC outboard motor parts finder to view engine drawings to find the manufacturer part number you need. Select that part and place it directly in your …
#4 OMC Cobra Sterndrive Parts
Domain Est. 1998
#5 Parts and exploded views for OMC engines
Domain Est. 2000
Website: dam-marine.com
Find the parts compatible with your OMC engine or drive. More than 30000 references. Delivery between 24 and 72 hours via Chronopost, Colissimo, …Missing: manufacturer list
#6 OMC Cobra 4.3 Parts
Domain Est. 1998
Website: keypart.com
8-day returnsOMC Cobra 4.3 parts – KeyPart provides durable components for optimal marine engine performance. Europe’s #1 Marine part supplier.
Buyer’s Guide: How to Choose Omc Boat Motor Parts

Buyer’s Guide: 3 Things to Check Before Buying OMC Boat Motor Parts
Whether you’re a B2B buyer sourcing premium marine components or a dedicated boat enthusiast restoring a classic OMC outboard, choosing the right OMC boat motor parts is essential for performance, reliability, and longevity. With decades-old systems still in use and limited manufacturing availability, finding authentic, compatible, and high-quality parts can be challenging. To help streamline your purchase decisions, here are three critical factors to verify before buying OMC boat motor parts.
1. Verify Part Compatibility and Model Specifications
OMC (Outboard Marine Corporation) produced a wide range of outboard motors under brands like Johnson and Evinrude from the 1950s through the early 2000s. Because models vary significantly in design, horsepower, and year-specific configurations, it’s crucial to confirm exact compatibility. Always check:
- The engine model number and serial number on your motor
- The year of manufacture
- Whether the part is designed for a 2-stroke or specific engine series (e.g., V4, V6)
Using the wrong component—even one that appears visually identical—can lead to poor performance, mechanical damage, or unsafe operating conditions. Reputable suppliers should provide detailed compatibility guides or cross-reference tools to ensure a proper fit.
2. Choose Authentic OEM or Certified Aftermarket Parts
When it comes to OMC boat motor parts, not all replacements are created equal. With the discontinuation of OMC in 2000, many parts on the market are reproductions or third-party alternatives. To maintain engine integrity:
- Prioritize Original Equipment Manufacturer (OEM) parts from trusted sources or licensed distributors
- If OEM isn’t available, select certified aftermarket parts that meet OEM specifications for materials, tolerances, and performance
- Avoid unbranded or generic parts that lack documentation or testing credentials
Authentic and high-quality replacements ensure better fitment, durability, and performance—especially critical for components like carburetors, powerheads, water pumps, and ignition systems.
3. Assess Supplier Reputation and Warranty Support
Given the age and scarcity of some OMC parts, buying from a reliable supplier is just as important as the part itself. Before making a purchase:
- Research the seller’s track record with marine parts, especially vintage OMC systems
- Confirm they offer customer support, clear return policies, and warranty coverage
- Look for suppliers who specialize in marine engines and provide technical documentation or installation guidance
For B2B buyers, consistent inventory access and bulk ordering capabilities are added bonuses. Enthusiasts benefit from suppliers who understand restoration needs and can help identify hard-to-find components.
By checking compatibility, ensuring part quality, and choosing a trusted supplier, you protect your investment and keep your OMC-powered vessel running smoothly for years to come.
These six options—OEM OMC Parts, Marine Engine Spare Parts Supplier, OMC Boat Parts, OMC Cobra Sterndrive Parts, Parts and exploded views for OMC engines, and OMC Cobra 4.3 Parts—are excellent choices for OMC boat motor parts because they provide genuine, compatible, and precisely engineered components tailored to specific OMC models. They offer access to original equipment manufacturer (OEM) quality, detailed exploded diagrams for accurate part identification, and specialized inventory for critical systems like the Cobra sterndrive and 4.3L engines. Together, they ensure reliability, proper fit, and long-term performance for maintenance and repairs.






