For B2B buyers and vintage marine enthusiasts, the search for authentic, high-quality Old Mercury Outboard Motor Parts isn’t just a maintenance task—it’s a passion. As classic boat restorations continue to surge in popularity, so does the demand for reliable OEM and precision-crafted aftermarket components. Whether you’re servicing a 1960s Merc 650 or rebuilding a rare Thunderbolt from the ’70s, the right parts can make the difference between a boat that runs and one that roars to life like it did decades ago.
With dwindling original stock and rising collector interest, the market for Old Mercury Outboard Motor Parts has never been hotter. Restoration shops, marine dealers, and OEM suppliers are seeing steady year-over-year growth as aficionados seek out durable, accurate replacements that honor the legacy of these iconic engines.
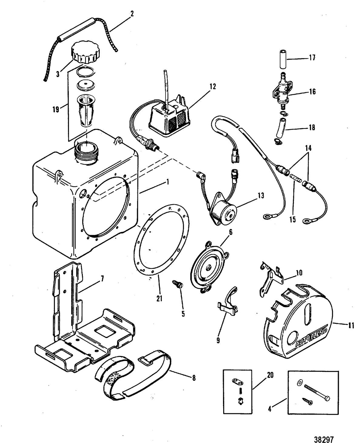
To help navigate this competitive and niche landscape, we’ve compiled the definitive Top 10 Old Mercury Outboard Motor Parts—the most sought-after, hardest-to-find, and highest-performing components trusted by professionals and purists alike. From carburetors to powerheads, these are the parts keeping vintage Mercury power alive on lakes, rivers, and open waters worldwide.
Top 7 Manufacturers & Suppliers of Old Mercury Outboard Motor Parts (2026 Review)
Ranked by inventory, reputation, and service quality.
#1 Mercury Outboard Parts
Domain Est. 1998
Website: wholesalemarine.com
Free delivery over $99 · 90-day returnsWe have the perfect match for your Mercury outboard motor. Check out our user-friendly catalog, featuring detailed diagrams and a complete range of exact-fit …
#2 Mercury Marine Parts Digital Catalog
Domain Est. 1995
Website: mercurymarine.com
Find the right parts to fit your Mercury® or MerCruiser® engine with the online Mercury Parts Catalog. You can search by engine model or serial number.
#3 MERCURY OUTBOARD MODEL YEAR GUIDE 60 HP
Domain Est. 1996
Website: maxrules.com
NOTE: Mercury DOES NOT Use Model Years For Parts Lookup. This Chart Is For Reference Only, Since Many Aftermarket Parts Manufacturers DO List Parts By Year
#4 Mercury Outboard Motors
Domain Est. 2004
Website: discount-marine-parts.com
mercury outboard motor parts, current and obsolete. Parts and service repair manuals. We specialize in marine engines and outboard motors ignition and …
#5 Mercury Outboard Motor Parts & Marine Parts Catalog
Domain Est. 2015
Website: partsvu.com
Free delivery over $99 30-day returnsShop OEM Mercury outboard motor parts, marine parts, and accessories. Find the right Mercury parts for your engine with expert support and fast shipping.
#6 Genuine Mercury Marine parts, large inventory, fast shipping …
Domain Est. 1998
Website: mercruiserparts.com
4-day delivery 30-day returnsFind all of your Mercury Marine parts here including accessories, service kits, props, Mercury outboards, Mercruiser engines, VesselView, lubricants, and …
#7 Mercury Outboard Serial Number Lookup
Domain Est. 2001
Website: crowleymarine.com
OEM parts for Serial Range Mercury Marine Outboard models. Over 1 million OEM parts for sale. Flat $4.95 shipping available.
Buyer’s Guide: How to Choose Old Mercury Outboard Motor Parts

Buyer’s Guide: 3 Things to Check Before Buying Old Mercury Outboard Motor Parts
Whether you’re a B2B buyer sourcing inventory or a passionate car and boat enthusiast restoring vintage models, finding authentic and reliable Old Mercury Outboard Motor Parts is essential for performance, safety, and value. As Mercury outboards from decades past remain coveted for their durability and nostalgic appeal, navigating the aftermarket and OEM landscape requires diligence. Here are three critical checks to make before your purchase:
1. Verify Part Authenticity and Compatibility
Old Mercury outboard motors span several decades, from the 1950s through the early 2000s, with distinct models, horsepower ratings, and serial number configurations. Before buying any part—whether it’s a carburetor, powerhead, starter, or gearcase—ensure it matches your motor’s exact model, year, and serial number. Genuine OEM parts often carry Mercury-branded packaging, part numbers, and die-stamped markings. For aftermarket components, look for manufacturers with a track record of producing Mercury-compatible parts with precise specifications. Cross-referencing part numbers with Mercury’s official service manuals or trusted online databases can prevent costly compatibility errors.
2. Assess the Condition and Provenance of Used Parts
Many Old Mercury Outboard Motor Parts available online come from salvaged or refurbished units. Always assess the condition thoroughly—especially for core components such as crankshafts, pistons, or ignition systems. Request detailed photos, service history, and proof of storage (e.g., kept dry, rust-free). Beware of parts stored in saltwater environments, which may have unseen corrosion. Reputable sellers will provide honest condition reports and allow returns if the part doesn’t meet expectations. For B2B buyers, establishing relationships with trusted salvage yards or certified refurbishers ensures a consistent supply of high-quality, tested parts.
3. Confirm Warranty and Return Policies
Purchasing vintage marine parts carries inherent risk. That’s why it’s vital to buy from suppliers who offer clear warranty coverage and hassle-free return policies. For OEM-replacement or rebuilt parts, look for at least a 90-day warranty against defects. Some premium resellers even offer performance guarantees for ignition modules or fuel system components. B2B buyers should negotiate bulk terms that include warranties, certifications of authenticity, and return windows for non-conforming goods. This protects your investment and ensures customer satisfaction when reselling or installing these parts.
By focusing on authenticity, condition, and after-sale support, you can confidently source Old Mercury Outboard Motor Parts that deliver reliability, restore legacy performance, and preserve the value of your marine investment.
These seven options are excellent choices for finding old Mercury outboard motor parts because they provide comprehensive, reliable, and efficient solutions tailored to vintage models. The Mercury Marine Parts Digital Catalog and Mercury Outboard Motor Parts & Marine Parts Catalog offer detailed part references and schematics, while the Genuine Mercury Marine parts ensure authenticity and compatibility. The MERCURY OUTBOARD MODEL YEAR GUIDE 60 HP helps accurately identify parts by model year, and the Mercury Outboard Serial Number Lookup ensures precise matching for older engines. Backed by a large inventory and fast shipping, these resources combine accessibility, accuracy, and reliability—making it easier than ever to maintain and restore older Mercury outboard motors.







